设为首页
|
加入收藏
电子散热器行业专家!
网站首页
关于我们
新闻中心
产品展示
产品参数
资质荣誉
客户留言
联系我们
1
2
产品列表
Product
精品展示
产品参数
1cm型材散热器
2cm型材散热器
3cm型材散热器
4cm型材散热器
5cm型材散热器
6cm型材散热器
7cm型材散热器
8cm型材散热器
9cm型材散热器
10cm型材散热器
11cm型材散热器
12cm型材散热器
13cm型材散热器
14cm型材散热器
15cm型材散热器
16cm型材散热器
17cm型材散热器
18cm型材散热器
19cm型材散热器
20cm型材散热器
21cm型材散热器
22cm型材散热器
23cm型材散热器
24cm型材散热器
25cm型材散热器
26~29cm型材散热器
30cm型材散热器
31~39cm型材散热器
40~45cm型材散热器
变频器配套系列型材散热器
变频器配套系列高效插片散热器
铝板冲压叉指形散热器
电加热器系列
控制器外壳、机箱一体化散热器
显卡散热器
型材超市
产品描述
网站首页
-
产品中心
-
产品参数
-
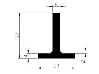
3cm型材散热器
产品名称:
MS-3009
浏览次数:
关 键 词:电子散热器,型材散热器,变频器散热器,插片散热器,模块化散热器,机箱散热器,加热器
产品详细内容: